電話:0769-85189162 26980325 傳真:0769-81610656 郵箱:leesun@leesuncn.com sales@leesuncn.com 地址:廣東省東莞市南城區第一國際百安中心B座303室
此機適用于連結、變速、切離、寸動、正逆轉、緩沖起動、高頻運轉、動力切換、超載保護等。
適用電壓DC24V
型號
FCD-006
FCD-015
FCD-025
FCD-050
FCD-100
FCD-200
FCD-400
靜摩擦轉距 [kg-m](N-m)
0.55(5.5)
1.1(11)
2.2(22)
4.5(45)
9(90)
17.5(175)
35(350)
動摩擦轉距 [kg-m](N-m)
0.5(5.0)
1.0(10)
2.0(20)
4(40)
8(80)
16(160)
32(320)
功率[24VDC] (W)at20℃
11
15
20
25
35
45
60
最高轉速(r/min)
1800
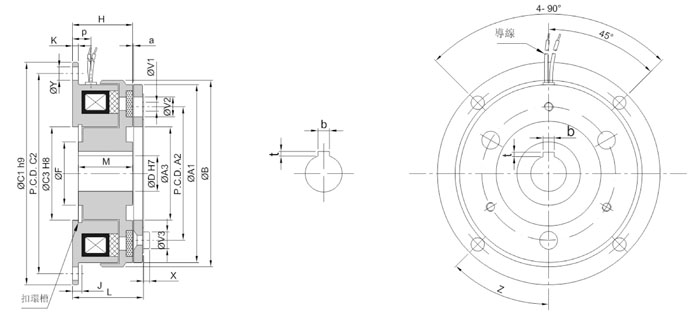
外 型 尺 寸
A1
63
80
100
125
160
200
250
A2
46
76
95
120
158
210
A3
34.5
41.5
51.5
61.5
79.5
99.5
124.5
B
67
85
106
133
169
211
264
C1
150
190
230
290
C2
72
90
112
137
175
215
270
C3
42
52
62
D
12
30
40
50
F
23
28.5
77
H
24
26.5
33.5
37.5
44
51
K
2
2.5
3
3.5
4
5
6
L
28
31
36
40.5
46.5
55.5
64
M
22
27
34
47
P
7.5
8
9
11.5
13
15.5
V1
3-3.1
3-4.1
3-5.1
3-6.1
3-8.1
3-10.2
3-12.2
V2
3-6.3
3-8
3-10.5
3-12
3-15
3-18
4-22
V3
3-6
3-7
3-9
3-14
3-17
4-19
X
1.5
2.1
2.8
3.4
4.5
5.1
Y
7
9.5
Z
6-60°
8-45°
a
0.2(±0.05)
0.3(-0.1)
0.5(-0.2)
b
10
t
1.8
2.3
3.3
3.8
重量( kg )
0.46
0.83
2.76
9.3
17
LTC-002/LTC-002B(簡版)張力控制器可通過手動實時調節
LS-XXBXXL-XXN系列懸臂式張力檢測器可用于對紙張、薄膜
伺服電機直線驅動器LD系列使用無刷直流伺服電機驅動,對
伺服電機中間導向糾偏一體機 使用無刷直流伺服電機驅動
用途: 保持、連接、切離、緩動啟動、張力控制、扭力限
此機適用于連結、變速、切離、寸動、正逆轉、緩沖起動
掃描進入淘寶店
掃描進入阿里店