電話:0769-85189162 26980325 傳真:0769-81610656 郵箱:leesun@leesuncn.com sales@leesuncn.com 地址:廣東省東莞市南城區第一國際百安中心B座303室
輸出額定力矩:
T2N :12 Nm - 3,200 Nm
減速比:
單節 :1
低背隙:
單節 :≦6 arcmin
高效率:
單節 : ≧ 98%
容易安裝
低噪音
結構緊湊
材質: 染黑鑄鐵
ATB065LM AT065RM
ATB075LM AT075RM
ATB090LM AT090RM
ATB110LM AT110RM
ATB140LM AT140RM
ATB170LM AT170RM
ATB210LM AT210RM
ATB240LM AT240RM
ATB280LM AT280RM
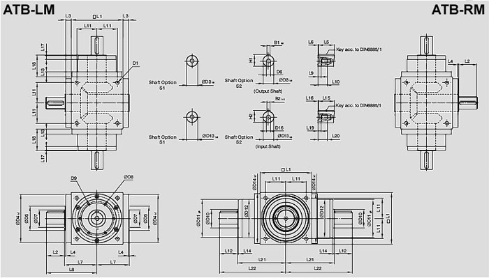
D1
M4
M6
M8
M10
M12
M16
D3 k6
13
16
18
22
32
40
50
55
60
D4 h7
63
73
88
108
135
165
205
235
275
D5
31
35
43
53
68
83
104
124
144
D6
M5
M20
D7
21
28
33
47
75
85
110
D8
62
76
95
92
114
142
160
176
D9
4xM4xL7
4xM5xL8
6xM6xL10
6xM8xL12.5
6xM10xL15
D10
15.4
20.4
25.8
35.8
49.8
59.3
79.3
92.3
102.3
D11 g6
62.9
72.9
87
107
103
127
158
178
198
D12
72
86
106
128
180
200
D13 k6
D14 h7
D16
L1
65
90
140
170
210
240
280
L2
19.5
30
L3
14.5
15
20
25
L4
2
L5
45
70
80
100
L6
2.5
3.5
4
5
L7
47.5
54
102
147
167
L8
67
84
97
112
137
162
202
232
277
L9
4.5
4.8
7.2
10
12
L10
12.5
19
36
42
L11
27
44
L12
L13
L14
L15
L16
L17
6
8
L18
52.5
105
120
L19
L20
L21
75.5
115
130
155
195
225
260
L22
215
270
310
370
B1 h9
14
B2 h9
H1
20.5
24.5
53.5
59
64
H2
LTC-002/LTC-002B(簡版)張力控制器可通過手動實時調節
LS-XXBXXL-XXN系列懸臂式張力檢測器可用于對紙張、薄膜
伺服電機直線驅動器LD系列使用無刷直流伺服電機驅動,對
伺服電機中間導向糾偏一體機 使用無刷直流伺服電機驅動
用途: 保持、連接、切離、緩動啟動、張力控制、扭力限
此機適用于連結、變速、切離、寸動、正逆轉、緩沖起動
掃描進入淘寶店
掃描進入阿里店